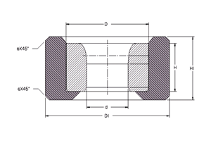
Ciągadła z węglika spiekanego okrągłe
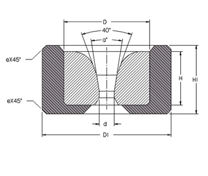
Typ MS10 do przeciągania różnych drutów stalowych i kolorowych , prętów i rur o średnicy 0,25 mm – 0,80 mm

|
Typ |
Wielkość wkładki (mm) | Wielkość stalowej obudowy(mm) | Zakres średnic (mm) | ||||
|
D |
H |
α° |
D1 |
H1 |
e |
||
|
MS10 |
6 |
4 |
40° |
25 |
12 |
0.5 |
0.25-0.80 |
|
8 |
6 |
40° |
28 |
12 |
0.5 |
0.40-0.80 |
|
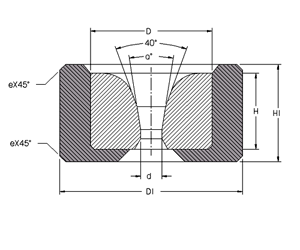
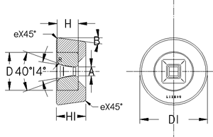
Typ MS11 do przeciągania różnych drutów stalowych i kolorowych

|
Typ |
Wielkość wkładki (mm) |
Wielkość stalowej obudowy(mm) |
Zakres średnic (mm) |
|||||
|
D |
H |
α° |
β |
D1 |
H1 |
e |
||
|
MS11 |
8 |
6 |
10° |
40° |
28 |
12 |
1.0 |
0.40-1.0 |
|
8 |
6 |
14° |
40° |
28 |
12 |
1.0 |
0.40-1.0 |
|
|
13 |
10 |
10° |
40° |
30 |
16 |
1.2 |
0.40-1.60 |
|
|
13 |
10 |
16° |
40° |
30 |
16 |
1.2 |
0.40-1.60 |
|
|
16 |
14 |
12° |
40° |
32 |
23 |
1.5 |
0.40-2.80 |
|
|
16 |
14 |
16° |
40° |
32 |
23 |
1.5 |
0.40-2.80 |
|
|
22 |
18 |
14° |
40° |
40 |
26 |
1.5 |
1.80-4.70 |
|
|
22 |
20 |
14° |
40° |
40 |
28 |
1.5 |
5.20-5.70 |
|
|
22 |
18 |
18° |
40° |
40 |
26 |
1.5 |
1.80-6.20 |
|
Typ MS12 do przeciągania różnych drutów kolorowych i prętów.>

|
Typ |
Wielkość wkładki (mm) |
Wielkość stalowej obudowy(mm) |
Zakres średnic (mm) |
|||||
|
D |
H |
α° |
β |
D1 |
H1 |
e |
||
|
MS12 |
8 |
6 |
16° |
40° |
25 |
10 |
1.0 |
0.40-0.80 |
|
13 |
8 |
16° |
40° |
30 |
14 |
1.0 |
0.40-2.30 |
|
|
16 |
10 |
16° |
40° |
32 |
16 |
1.0 |
0.80-2.80 |
|
|
20 |
12 |
16° |
40° |
40 |
20 |
1.0 |
2.30-3.80 |
|
|
22 |
14 |
16° |
40° |
45 |
24 |
1.0 |
4.20-5.70 |
|
|
26 |
16 |
16° |
40° |
50 |
28 |
1.0 |
6.40-8.0 |
|
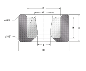
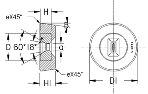
Typ MS13 do przeciągania stalowych i kolorowych prętów

|
Typ |
Wielkość wkładki (mm) |
Wielkość stalowej obudowy(mm) |
Zakres średnic (mm) |
||||
|
D |
H |
α° |
D1 |
H1 |
e |
||
|
MS13 |
30 |
21 |
14° |
66 |
35 |
1.2 |
3.70-10.5 |
|
30 |
21 |
20° |
66 |
35 |
1.2 |
3.70-10.5 |
|
|
40 |
25 |
14° |
90 |
42 |
1.2 |
10.5-16.5 |
|
|
40 |
25 |
20° |
90 |
42 |
1.2 |
10.5-16.5 |
|
|
50 |
28 |
14° |
102 |
51 |
1.5 |
16.5-25.5 |
|
|
50 |
28 |
20° |
102 |
51 |
1.5 |
16.5-25.5 |
|
|
60 |
35 |
18° |
120 |
60 |
1.5 |
25.5-35.5 |
|
|
60 |
35 |
20° |
120 |
60 |
1.5 |
25.5-35.5 |
|
|
75 |
35 |
18° |
130 |
60 |
1.5 |
35.5-45.0 |
|
|
75 |
35 |
22° |
130 |
60 |
1.5 |
35.5-45.0 |
|
|
90 |
35 |
20° |
150 |
65 |
1.5 |
45.0-59.0 |
|
|
90 |
35 |
22° |
150 |
65 |
1.5 |
45.0-59.0 |
|
|
110 |
40 |
20° |
170 |
70 |
2.0 |
59.0-71.0 |
|
|
110 |
40 |
22° |
170 |
70 |
2.0 |
59.0-71.0 |
|
|
140 |
50 |
20° |
210 |
80 |
2.0 |
71.0-85.0 |
|
|
140 |
50 |
22° |
210 |
80 |
2.0 |
71.0-85.0 |
|
Typ MS20 do przeciągania rurki.

|
Typ |
Wielkość wkładki (mm) |
Wielkość stalowej obudowy(mm) |
Zakres średnic (mm) |
||||
|
D |
H |
α° |
D1 |
H1 |
e |
||
|
MS20 |
16 |
14 |
10° |
32 |
22 |
1.0 |
2.0-4.0 |
|
22 |
18 |
10° |
40 |
26 |
1.0 |
4.1-5.0 |
|
|
30 |
22 |
10° |
66 |
38 |
1.2 |
5.1-9.0 |
|
|
35 |
25 |
10° |
72 |
45 |
1.2 |
9.1-12.0 |
|
|
40 |
28 |
10° |
90 |
45 |
1.5 |
12.1-15.0 |
|
|
45 |
30 |
10° |
95 |
54 |
1.5 |
15.1-18.0 |
|
|
50 |
32 |
10° |
102 |
54 |
1.5 |
18.1-22.0 |
|
|
55 |
32 |
10° |
110 |
56 |
1.5 |
22.1-26.0 |
|
|
60 |
34 |
10° |
120 |
57 |
1.5 |
26.1-29.0 |
|
|
65 |
36 |
10° |
124 |
58 |
1.5 |
29.1-33.0 |
|
|
75 |
42 |
10° |
130 |
63 |
1.5 |
33.1-37.0 |
|
|
85 |
45 |
10° |
145 |
66 |
1.5 |
37.1-41.0 |
|
|
95 |
48 |
156 |
70 |
2.0 |
41.1-47.0 |
||
|
100 |
52 |
160 |
70 |
2.0 |
47.1-56.0 |
||
|
110 |
52 |
170 |
76 |
2.0 |
56.1-60.0 |
||
Typ MS22 do przeciągania rurki z metali kolorowych

|
Typ |
Wielkość wkładki (mm) |
Wielkość stalowej obudowy(mm) |
Zakres średnic (mm) |
||||
|
D |
H |
α |
D1 |
H1 |
e |
||
|
MS22 |
20 |
13 |
24° |
40 |
23 |
1.0 |
2.80-6.70 |
|
30 |
18 |
24° |
66 |
32 |
1.2 |
6.70-12.0 |
|
|
45 |
24 |
24° |
95 |
48 |
1.2 |
12.0-24.0 |
|
|
60 |
30 |
24° |
120 |
54 |
1.5 |
24.0-34.0 |
|
|
80 |
35 |
24° |
140 |
60 |
1.5 |
34.0-49.0 |
|
|
90 |
40 |
24° |
150 |
68 |
2.0 |
49.0-55.0 |
|
|
100 |
40 |
24° |
160 |
70 |
2.0 |
55.0-59.0 |
|
|
120 |
45 |
24° |
180 |
73 |
2.0 |
59.0-69.0 |
|
|
130 |
50 |
24° |
200 |
80 |
2.0 |
69.0-79.0 |
|
|
140 |
50 |
24° |
210 |
80 |
2.0 |
79.0-90.0 |
|
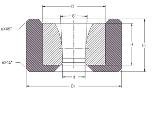
Type MS23 do zmiany średnicy drutu

|
Typ |
Wielkość wkładki (mm) | Wielkość stalowej obudowy(mm) | Zakres średnic (mm) | |||
|
D |
H |
D1 |
H1 |
e |
||
|
MS23 |
50 |
32 |
102 |
54 |
2.0 |
20.0-26.0 |
|
60 |
35 |
120 |
60 |
2.0 |
26.0-32.0 |
|
|
70 |
42 |
130 |
63 |
2.0 |
32.0-38.0 |
|
|
75 |
42 |
130 |
63 |
2.0 |
38.0-42.0 |
|
|
85 |
45 |
145 |
66 |
2.0 |
42.0-48.0 |
|
|
100 |
50 |
160 |
70 |
2.4 |
48.0-56.0 |
|
|
110 |
50 |
170 |
73 |
2.4 |
56.0-64.0 |
|
|
125 |
55 |
190 |
78 |
2.4 |
64.0-72.0 |
|
Typ MS40 ciągadła z węglika spiekanego- kwadratowe
Niestandardowe ciągadła z węglika spiekanego

|
Typ |
Wielkość wkładki (mm) | Wielkość stalowej obudowy(mm) | Zakres średnic (mm) | ||||
|
D |
H |
α° |
D1 |
H1 |
e |
||
|
MS40 |
16 |
12 |
14° |
33 |
20 |
1.0 |
1.80-2.70 |
|
22 |
18 |
14° |
40 |
26 |
1.2 |
2.80-4.60 |
|
|
30 |
21 |
14° |
66 |
30 |
1.5 |
4.70-7.70 |
|
|
35 |
25 |
14° |
70 |
35 |
1.5 |
7.80-10.70 |
|
|
45 |
25 |
14° |
100 |
35 |
1.5 |
10.80-15.70 |
|
|
50 |
28 |
14° |
125 |
45 |
1.5 |
15.80-19.70 |
|
|
60 |
30 |
16° |
135 |
50 |
1.5 |
19.80-24.70 |
|
|
65 |
32 |
16° |
140 |
50 |
1.5 |
24.80-28.50 |
|
|
70 |
35 |
16° |
150 |
55 |
1.5 |
28.60-32.50 |
|
|
80 |
35 |
16° |
170 |
55 |
2.0 |
32.60-38.50 |
|
|
90 |
40 |
20° |
180 |
65 |
2.0 |
38.60-42.50 |
|
|
100 |
40 |
20° |
190 |
70 |
2.0 |
42.60-49.50 |
|
|
120 |
45 |
20° |
200 |
70 |
2.0 |
49.60-55.0 |
|
Type MS41 ciągadła z węglika spiekanego- prostokątne

|
Typ |
Wielkość wkładki (mm) | Zakres średnic (mm) | Zakres średnic (mm) | ||||
|
D |
H |
α° |
D1 |
H1 |
e |
||
|
MS41 |
30 |
21 |
14° |
66 |
30 |
1.2 |
6.70-4.70 |
|
35 |
25 |
14° |
70 |
35 |
1.5 |
7.7-9.7×2.7-7.7 |
|
|
45 |
25 |
14° |
100 |
35 |
1.5 |
11.7×7.7-9.7 |
|
|
50 |
28 |
14° |
125 |
45 |
1.5 |
13.7-17.6×6.7-15.7 |
|
|
60 |
30 |
14° |
135 |
50 |
1.5 |
19.6-23.6×7.7-14.7 |
|
Type MS42 ciągadła z węglika spiekanego do produkcji taśmy

|
Typ |
Wielkość wkładki (mm) | Wielkość stalowej obudowy(mm) | Zakres średnic (mm) | ||||
|
D |
H |
α |
D1 |
H1 |
e |
||
|
MS42 |
20 |
12 |
18° |
40 |
20 |
1.0 |
1.9-3.8×1.0-2.0 |
|
25 |
15 |
18° |
45 |
23 |
1.2 |
3.9-7.1×1.0-4.0 |
|
|
35 |
18 |
18° |
70 |
26 |
1.2 |
7.2-12.7×1.1-6.5 |
|
|
45 |
20 |
18° |
100 |
30 |
1.5 |
12.8-15.0×1.4-6.0 |
|
|
50 |
20 |
18° |
125 |
35 |
1.5 |
16.5-24.0×1.0-6.0 |
|
|
60 |
20 |
18° |
135 |
35 |
1.5 |
24.5-32.0×1.0-4.0 |
|
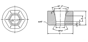
Type MS60 ciągadła z węglika spiekanego- sześciokątne

|
Typ |
Wielkość wkładki (mm) | Wielkość stalowej obudowy(mm) | Zakres średnic (mm) | ||||
|
D |
H |
α° |
D1 |
H1 |
e |
||
|
MS60 |
30 |
21 |
14° |
66 |
30 |
1.2 |
2.50-8.50 |
|
35 |
21 |
14° |
70 |
30 |
1.2 |
8.60-11.0 |
|
|
40 |
25 |
14° |
90 |
35 |
1.5 |
11.5-13.0 |
|
|
45 |
25 |
14° |
100 |
35 |
1.5 |
13.5-19.0 |
|
|
55 |
28 |
14° |
130 |
40 |
1.5 |
19.5-24.0 |
|
|
65 |
30 |
16° |
140 |
50 |
1.5 |
24.5-29.0 |
|
|
75 |
35 |
16° |
160 |
55 |
1.5 |
29.5-38.0 |
|
|
90 |
35 |
16° |
180 |
65 |
2.0 |
38.3-50.0 |
|
|
100 |
40 |
16° |
190 |
70 |
2.0 |
52.0-58.5 |
|
|
120 |
42 |
16° |
200 |
70 |
2.0 |
59.5-75.0 |
|
